Tuyau de distribution Volvo Penta 2002

Lors de l'echange du coude d'échappement du volvo 2002, on constate qu'il y a 2 joints entre le tuyau de distribution (qui est dans la culasse) et le tuyau qui va au coude d'échappement.
Le joint coté tuyau de distribution est endommagé, on voudrait le changer mais cela suppose de démonter le tuyau de distribution..
Comment faire cette opération? quelqu'un a t il eu le même problème ?
Merci de votre aide...

L'équipage
16 fév. 2022
16 fév. 202216 fév. 2022

En déposant, à l'opposé, le tuyau d'alimentation en eau, tu dois avoir accès au tuyau de distribution d'eau. Après, je ne sais pas de quel côté il sort. Peut-être des deux côtés. Je ne l'ai jamais fait sur mon 2003 ...


16 fév. 2022

merci pour ton retour. Donc pour toi, il n y a qu'un seul tuyau qui traverse la culasse... ce n'était pas clair sur les schémas... on va tester ;-)


Jeff76 (VCC):Fais-nous un retour de ton essai !·le 16 fév. 2022 21:08
16 fév. 2022

de mémoire ces joints sont tous identiques et ne demandent rien de plus que ce qui a déjà été démonté (selon la photo ) .


Jeff76 (VCC):C'est une sorte de collet battu et le joint vient couvrir chaque côté du collet.·le 16 fév. 2022 21:10
16 fév. 2022

Je ne voudrais pas dire de conn***ie, mais il me semble que ces tuyaux (entre culasse et coude) ont tous une collerette sur laquelle ces joints un peu spéciaux viennent "coiffer' la collerette. Il me semble qu'une partie de ce joint, cuit sans doute soit resté collé au fond de l'alésage dans la culasse.


16 fév. 202216 fév. 2022

Salut
C'est vrai que changer ce joint nécessite de démonter le tuyau.
Il traverse la culasse et tu y a accès par l'avant.
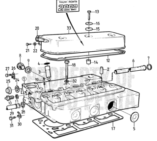
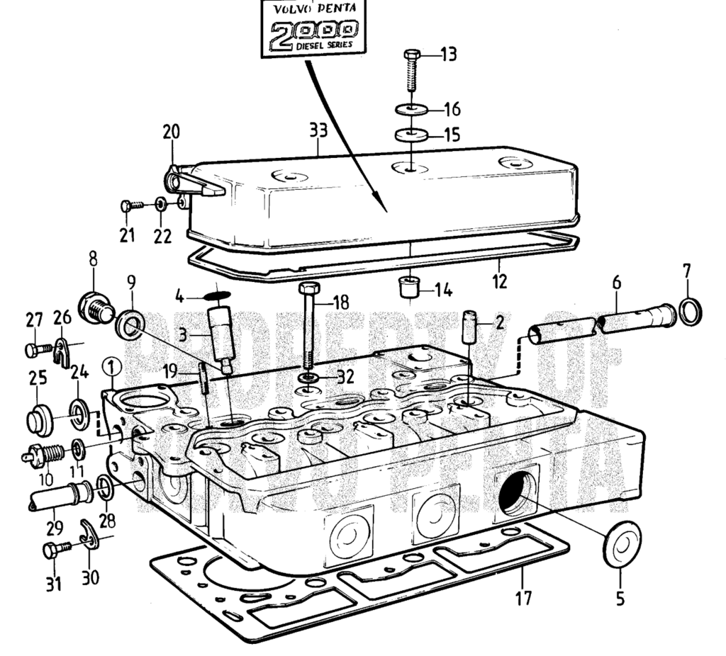
Il me semble que ce tuyau est en une partie mais sur le schéma joint il semble y en avoir 2 ?? (6 & 27) à cet endroit il semble y avoir deux joints l'un sur l'autre. Le 1 autour de la collerette du tuyau interne et l'autre autour du tuyau extérieur qui va au coude. Joint sur joint... J'ai remonté comme ça et ça fonctionne
ce montage est étonnant, quand j'ai démonté mon coude (2003)
Bonne occasion de nettoyer les trous de distribution qui sont dessus
Attention à bien repérer la position du tuyau parce que au remontage
ces trous doivent arriver exactement devant les cavités qu'ils alimentent

Fañch


16 fév. 2022

Merci Dahut ! c'est ce que l'on intuitait à la lecture des schémas mais ta confirmation nous sera très utile. Juste par rapport aux échanges précédents, à l'arrière de la culasse, il y a bien 2 joints superposés : un sur le tuyau de distribution (sur la collerette) et le deuxième en appui sur le tuyau allant au coude d'échappement.
Tout est clair. Merci à tous, pour le moment on a remonté avec le joint abimé mais pas de fuite .. des qu'on le change, on vous tient au jus.


16 fév. 2022

Dahut, désolé j'ai lu un peu vite et je n'avais pas vu ta précision sur les 2 joints...que je n'ai fait que répéter.


02 déc. 2025

Bonjour,

J'arrive peut etre un peu tard sur le sujet.... Je vais avoir aussi à demonter le coude d'échappement de mon 2002. Je pense que le joint est mort (et non le coude car c'est pas la même histoire en terme de tarif).
Alors j'ai cherché sur internet et je suis tombé sur ce tuto plutot interessant:
www.google.com[...]/search


03 déc. 2025

Bonjour,
Le tuto explique bien comment démonter le coude d'échappement et le nettoyer. Je viens de le faire à nouveau après 200hrs (sur un 2002) de moteur à peu près et c'était déjà nécessaire pour dégager les circuits d'eau à l'acide.
Par contre j'aimerais démonter le 'tube de distribution' qui traverse la culasse et distribue l'eau de mer pour refroidissement de la culasse à travers 3 trous. A priori il sort par l'arrière du moteur
et là je n'ai pas trouvé de tuto et je n'ose pas tenter d'y aller en force...


03 déc. 2025

Bonjour
Sur le site de DAM , ou j'ai cherché des pièces détachées il y a un eclaté assez bien detaillé je trouve.
Voici le lien:
www.dam-marine.com[...]38.html
Pour ma part, je n'ai encore rien fait sur le coude. Le bateau est sorti de l'eau hier. Je vais m'y atteler ce weekend je pense. Après j'ai tout l'hiver pour remonter mon bazard.
En pièce jointe une photo de mon coude, on voit bien que l'eau de mer a commencé à faire son effet. Je vais refaire tous les joints et nettoyer le coude dans un premier temps.
Des avis sur le sujet ?


xalyne:Un site pour voir tous les éclatés des moteurs Volvo Penta. marinepartseurope.com[...]t/2003/ Après y avoir fait mon choix, je commande généralement chez DAM·le 03 déc. 12:06
03 déc. 2025
03 déc. 2025

C'est le démontage de la pièce N°6 qui me pose problème....


03 déc. 2025

OK je pensais que c'était le n° 25 sur la piece jointe qui vient "s'encastrer dans le coude avec un joint.
Si c'est cette pièce peut etre que de la cureter une fois le coude retiré peut etre suffisant ? Au pire ça serait des cristaux de sel ....


03 déc. 2025

La 25, il faut aussi la démonter et la nettoyer à l'acide chlorhydrique (+ rincage et un bain de soupe de soude) ou autre si elle est entartrée.. après avoir retirer les joints bien sûr et éventuellement les changer (pas trop cher).
Sinon oui dans la culasse c'est du tartre et des cristaux de sel, je l'ai trempée plusieurs heures dans le Stopsel...(je le fais tous les ans) mais je n'y crois pas trop.. je préfèrerais démonter la N° 6 pour la nettoyer...


03 déc. 2025

J'avais été faire un stage niveau 1 chez Escale Formation Technique à Rezé (44) il y a deux ans et le formateur (une sacrée expérience) nous avait conseillé sur l'hivernage de melanger 4 litres de vinaigre blanc avec deux litres d'eau et de le faire ingurgiter au moteur. Une fois que c'est fait, on coupe tout, on laisse agir 24 H 00 et ensuite on rince à l'eau claire puis du 4 saisons pour l'hivernage. D'après lui, ça vaut tous les produits. Du coup je le fais chaque année maintenant.


03 déc. 2025

C'est une bonne idée ;-) moi je mets directement dans la culasse du Stopsel en démontant le calorstat qui donne accès à la culasse mais je retiens le conseil du formateur, le vinaigre blanc c'est moins cher que le Stopsel et probablement aussi efficace. Apres le 4 saisons pour l'hivernage c'est la règle.


03 déc. 2025

POur le démontage de la N° 6 j'ai interrogé ChatGPT qui m'a donné au moins 6 méthodes pour extraire ce tube de la culasse (à priori des préconisations Volvo), ce serait trop long à publier mais il suffit de l'interroger "démontage tube de distribution culasse Volvo Penta 2002". Je vais tester les moins agressives et je publierai le résultat...


04 déc. 2025

C'est pas bete du tout d'avoir interroger Chatgpt s'il peut donner des liens vers des tutos ou autre...


A l'interieur du phare Amédée Nouvelle Calédonie

Phare du monde

  • 4.5 (17)

A l'interieur du phare Amédée Nouvelle Calédonie

2022