recherche équivalence a pièces LUCAS

bonjour a vous tous
pour mon moteur perkins prima50
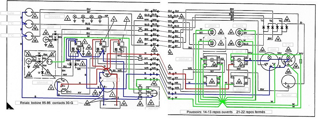
je recherche les 3 relais lucas, (petits cubes de couleur vert,bleu et bleu)demarrage, moteur et préchauffage
photo joint

chez un fournisseur...ca coute 500€ les 3 petits relais ! gulps!!

mais parait qu y a des équivalences qui sont pas de la marque Lucas et qui sont beaucoup moins cher

si vous avez des tuyaux?

Joyeux Noel
dd

L'équipage
23 déc. 2015
23 déc. 201523 déc. 2015

Bonjour, en 12 v
www.autoelectricsupplies.fr[...]uct/816

en 24 v

www.autoelectricsupplies.co.uk[...]ist/113

en ce qui me concerne , je les ai achetés chez autoelectriquequpplies sans aucun problème

bon achat

23 déc. 2015

super!!

merci a toi

dd

23 déc. 2015

:pouce:

Bonnes fêtes de fin d' année

23 déc. 2015

Excuse moi Ballade mais une question
je suis loin du bateau et je ne peux verifier
est ce que tu sais si
les 3 relais sont identiques? meme Modele sur le prima50?
ou 3 differents?

dd

23 déc. 201516 juin 2020

je ne suis pas sur le bateau ( qui se trouve au sec chez navy service)

donc je pense que oui , mais si quelqu' un pouvait confirmer pour t' enlever un doute , cela serait bien

23 déc. 2015

a navy service?? le mien aussi!!
excellent!

très beau bateau que ton santorin avec belle jupe arriere
j aurai bien voulu m en payer un mais , c etait pas dans mon budget...bon ca sera pour plus tard!

a navy service, j y serai en Janvier, etsi tu y es, je t offre l'apero sur mon simple voyage 12.50
ca me fera plaisir
merci

dd

23 déc. 201523 déc. 2015

joli bateau le voyage 12,50 , normalement fin janvier , merci pour l' invitation , de même si tu veux visiter ballade ,

sur le schéma , il semblerait que les trois relais soient identiques ,à confirmer

Phare du monde

  • 4.5 (195)

2022