Problème contacteur moteur nanni 3.21

Bonjour à tous,
je me permets de soliciter votre aide suite à un problème de démarrage récurrent sur un moteur inboard nanni 3.21 :
Avant hier, impossible de démarrer le moteur qui n'avait présenté aucun soucis jusque la : je tourne la clé, contact ok, et lorsque je lance le demarrage rien ne se passe, meme pas un petit bruit au niveau du démarreur (qui est neuf d'il y a 1 an au passage)
je me dis probleme de batterie, je couple les 2 grosses batteries de service et toujours rien.
Un coup au multimetre et toutes les batteries sont bien chargées à bloc.

Je ressers donc toutes les cosses du circuit et la ca se lance au quart de tour.

Le lendemain, je tourne la clé et la meme plus de contact, aucun voyant, aucun bipeur.
Je refais un tour du circuit, reprend les mesures de tension aux niveau du démareur nickel et par contre lorsque je tourne la clé aucun tension au niveau du solenoide.
Le probleme semble bien venir du contacteur.
Je coupe les batteries, je remet tout sous tension, et avant de demarrer en cours circuitant le solenoide, je tente un demarrage a la clé classique et la miracle ça marche

J'ai plusieurs fois lu sur le forum que c'etait un soucis de faux contact au niveau du contacteur et qu'il était bien plus pratique de virer ce contacteur a clé inutile pour le remplacer par des boutons poussoirs.
Auriez vous un schéma ?
Est ce bien une panne répandue ?
Y a t il d'autres test a faire avant de changer le contacteur ?

Je vous remercie

L'équipage
14 avr. 2024
15 avr. 2024

Salut,
"...Y a t il d'autres test a faire avant de changer le contacteur *?...".
Oui, il y a un test très simple a faire, rapide et sans démonter quoi que se soit !
Quand la panne survient, shunte avec un tournevis acier, les 2 cosses tiges filetées du *
coupe batterie *(ou cle de batterie); je ne parle pas du contacteur du tableau de bord, mais bel et bien
du *
coupe-batterie
...(Très souvent monte sur le +B Batterie)
Si ca démarre ainsi a chaque coup, demonte et nettoie les contacts intérieurs du CB, éventuellement change le s'il est serti...
Mamita


15 avr. 2024

J'ai parfois ce problème. Chez moi, c'est au niveau des cosses du faisceau électrique (les grosses fiches à 11 bornes) qui relie le contacteur du tableau de bord au moteur qu'il y a des mauvais contacts.


Mamita:Re, Oui, ca arrive "aussi" sur ces connecteurs: connecteur 1 moteur/câble faisceau, et connecteur 2 câble faisceau/ tableau de bord.Nota : Sur un Nanni 3.90HE, j'ai déjà vu une fiche interne de connecteur (préchauffage) fondue ! Il a fallu la trouver celle là ! ·le 15 avr. 2024 18:21
15 avr. 202415 avr. 2024

Merci pour vos réponses.
Si la panne survient de nouveau, j'essaye de shunter le coupe batterie.
Dans tous les cas je vais bien vérifier chaque connexion au niveau du contacteur et mettre un peu partout de la bombe contact.


25 mai 202525 mai 2025

Bonjour,
je me permets de relancer ce fil : en suivant vos conseils j'avais réglé le soucis en remplaçant tous les coupes batteries.
Mais voila que le probleme survient de nouveau : batterie bien chargée, je tourne la clé j'ai du contact et de la tension partout, et lorsque je tourne pour démarrer, je n'ai que le "clac" dde l'electrovane et rien d'autre, le demarreur ne se met meme pas en route.
En triturant les fils derriere le panneau de controle avec de la bombe contact, le moteur finit par démarrer.

Le soucis, c'est que je ne comprends rien à tous les fils qui arrivent derrière le panneau de controle, donc j'aurai souhaité dégager ce panneau pour le simplifier avec un bouton poussoir pour le demarrage, et des switch on/off pour le contact.

Est ce que quelqu'un a déjà fait cette modif ? avec un schéma peut être ?

Je rappel que le moteur est un nanno 3.21 et le panneau un A3 de chez nanni

Merci beaucoup

Edit : je viens de trouver tous les schemas de Mamita sur des post plus anciens, énorme merci ça devrait bien servir


26 mai 2025

C'est un problème récurent, et pas que sur les moteurs marins. Si le démarreur est OK, le problème vient le plus souvent du fil électrique qui va du contacteur à clé au solénoïde du démarreur qui perd de sa conductivité. Le plus simple pour y remédier, c'est d'ajouter un relais 30A avant le solénoïde du démarreur.


27 mai 2025

Top merci beaucoup pour ta réponse et pour les schémas, je vais essayer ça !!
Et oui démarreur tout neuf.


27 mai 2025

Petite question, en revoyant le schema classique du relais, j'ai limpression quer le cablage est souvent inversé (la source 12v en broche 30)
y a t il un sens pour le relais ?


Mamita:Re, Électriquement 30 ou 87 c'est un contact, donc identique. Par principe, on met le +12 direct sur le 30.Sur la bobine, surtout si elle est polarisée: 86 sur le + 12v apc, et le 85 sur le -B.Mamita·le 27 mai 14:33
19 juin 2025

Bonjour a tous,
Bon j'ai installé le relais, ça a fonctionné un temps.
Je crois que j'ai un gros soucis de contact au niveau de la clé de démarrage. En effet, depuis aujourd'hui je n'arrive même plus a avoir de contact (je n'ai plus le bip batterie quand je tourne la clé)
En contrôlant au multimètre, il y a bien du courant qui arrive a la bonne tension, donc ça semble réellement provenir de la clé.

J'avoue que j'aurai bien changé tout ce système pour un truc simplifie avec des boutons et des interrupteurs.
Quelqu'un a t il déjà fait la manip ?
J'avoue que je suis un peu perdu de savoir où connecter chaque câble et j'ai surtout peur de ne plus pouvoir éteindre le moteur.
D'ailleurs, comment s'éteint le nanni ? J'ai l'impression que c'est l'électrovanne qui se ferme, donc ce serait a la coupure de contact que le moteur se coupe ?


LaJoliette:Il n'y a pas d'électrovanne sur le 3.21 mais un solénoïde commandé par un relais temporisé de 5 secondes. Ce solénoïde actionne le levier de coupure carburant sur la pompe à injection, c'est entièrement mécanique. Ce relais temporisé est activé à la coupure du contact.·le 04 oct. 16:04
04 oct. 2025

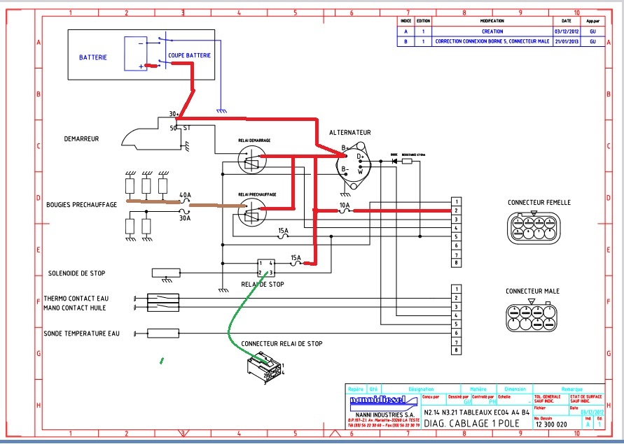
Re minoch,
Ci dessous, reconnais-tu ton schéma électrique du N3.21HE avec ses connecteurs, ses fusibles, ses relais démarrage et prechauffage et le relais special arret moteur?
Mamita


Feu sur l'épi Dellon, à l'est de l'ancien Lazaret à Sète

Phare du monde

  • 4.5 (38)

Feu sur l'épi Dellon, à l'est de l'ancien Lazaret à Sète

2022