Cherche documents pilote PLASTIMO NAVIK VR10

Je suis à la recherche de documents pour le PILOTE PLASTIMO NAVIK VR10 (pas le régulateur d'allure NAVIK). Mode d'emploi, d'installation, etc. Il était compatible NMEA à l'époque, mais sans schéma de câblage, ça va être compliqué. Alors si vous avez ça dans vos archives je suis preneur. Je n'ai rien trouvé ici sur H&O ni sur le net, ou alors payant, presque le prix d'un TP10 d'occasion...
Merci d'avance aux participants.

Oui, je sais, c'est antédiluvien (Moïse a utilisé le même sur son arche), mais me le dire n'apportera rien de pertinent au sujet. (A moins de vouloir m'offrir un TP22)

L'équipage
10 sept. 2020
10 sept. 2020

ben si tu veux, j'ai un TP22 tout neuf avec télécommande


Oliver29:Merci pour ta proposition Roland, mais je crains que ce ne soit pas dans mon budget pour le moment :-(Il y a encore des dépenses à venir avant la remise à l'eau.·le 10 sept. 2020 10:57
23 nov. 2020

Toujours rien trouvé ? Moi non plus, et y en a qui cherchent depuis 2009....
J'ai un VR10 sans le compas, et je cherche les branchements. NMEA à l'époque ? Ça m'intéresse franchement !
Bon, le premier qui trouve...
Dominique.


Oliver29:J'ai contacté PLASTIMO. Ils n'ont rien. Il m'ont répondu qu'à l'époque, les documents n'étaient pas numérisés...Alors qu'aujourd'hui, il y a plein de documents d'époque, dactylographiés, photocopiés plusieurs fois avant d'avoir été scannés et mis en ligne...·le 23 nov. 2020 21:22
23 nov. 2020

A priori ce PA doit être l'évolution de l'AT60, dont il doit se rapprocher sur le plan mécanique au moins et sans doute sur une partie électrique et sur l'utilisation et les réglages de base.
Un PA est un automate qui repose toujours sur les mêmes principes, assez simples.
Après, en étant un peu versé dans l'électronique, sans aucun document, il faut ouvrir l'appareil pour étudier la carte contrôleur. On repère facilement tous les composants. Avec les datasheets sur internet on identifie toutes les fonctions.
Les entrées et les sorties sont également assez facilement identifiables. Naturellement on commence par la fonction alimentation avec identification des lignes + et - (souvent la masse).
Comme il y a au moins un microcontrôleur programmé, cela ne donnera jamais le programme enregistré, mais au final on peut dessiner le schéma fonctionnel complet (et même restituer le schéma de principe) et si l'ensemble marche encore on peut trouver et tester les points clés de sortie et faire des essais.
On peut aussi ne garder que la mécanique et la piloter par une électronique nettement plus récente.
Une petite carte gyro et magnétique utilisable par une plateforme Raspberry ou Arduino (il y a eu on long article sur ce sujet dans HeO) permet d'aboutir à un PA expérimental pour un prix relativement acceptable, si on veut s'amuser.


24 nov. 2020

Merci pour ta réponse qui fait avancer le sujet, même si ça ne le résout pas. J'ai trouvé des demandes de doc sans réponse dans le monde entier à propos de ce vr10 !
J'ai tenté de comprendre les différents branchements, l'électronique n'est pas ma spécialité, mais je m'y intéresse. J'ai essayé de brancher un compas de l'AT50 sur les 3 fils qui partent du VR10, dont deux avec une tension de 10v, je pensais que'c'était l'alimentation du comps, l'autre étant le potentiel variable envoyé par les cellules, mais sans succès. Je continue à chercher, comme tu dis ça m'amuse.
Par ailleurs, ta solution Raspberry m'intéresse, car je navigue avec un Rpi et Openplotter. J'ai un renvoi interactif de la carte sur mon téléphone avec VNC viewer et je peux utiliser n'importe quelle carte calibrée, elles ne manquent pas... Mon anémomètre y est en NMEA ainsi que mon GPS, et j'ai installé le petit dongle usb me permettant d'avoir l'AIS en réception, donc la solution PA que tu indiques m'intéresse, si tu peux me retrouver les liens permettant de le fabriquer, je t'en remercie.
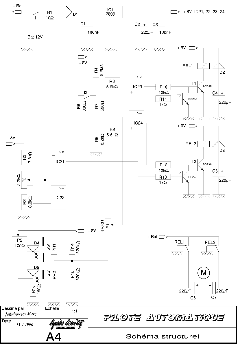
Voici des photos du vr10 :
Les 6 petits boitiers noirs sont tous des amplis op identiques 2741DC.
Merci de ton intérêt...


24 nov. 2020

Les photos semblent montrer effectivement que c'est une version antérieure de l'AT50.
Ce PA est PUREMENT analogique (absolument aucune informatique et donc aucun transfert d'information).
C'est d'une LUMINEUSE simplicité , avec des OAP montés en comparateurs, un compas optoélectronique aussi simple qu'astucieux, un report de barre avec un potentiomètre linéaire, le contrôle moteur d'abord par deux relais style automobile puis par une carte avec un pont en H à FETs. Les commandes sont faites par aimants face à des Ils. Les AOP 741 ont été remplacés par des LM324 plus simples à alimenter, et toujours disponibles .
En PJ docs.
(le schéma fonctionnel l'APX (à compas fluxgate) permet de bien comprendre le principe d'un PA avec son bouclage.



Port-Vendres, pays catalan

Phare du monde

  • 4.5 (18)

Port-Vendres, pays catalan

2022